WAGO Powertransmitter
Artikelnummer : [460517] / [460512] / [460509] / [460505]
Funktion
Dieser Zweirichtungszähler kann per RS485 im SmartDog integriert werden
Anschluss des Gerätes
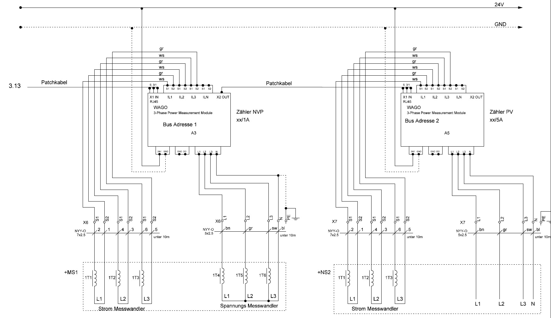
- Anschluss Beispiel für Verwendung als NVP-Zähler in der Mittelspannung oder als PV-Zähler in der Niederspannung
Verdrahtung zum SmartDog Bus
- Es kann sowohl BUS1 als auch BUS2 verwendet werden :
| RJ45 Stecker am WAGO X1 IN | Farbe | Kabel an BUS SmartDog |
|---|---|---|
| 1: | - | - |
| 2: | - | - |
| 3: | - | - |
| 4: | blau | A |
| 5: | weiß/blau | B |
| 6: | - | - |
| 7: | - | - |
| 8: | - | - |
Konfiguration des WAGO Zählers
- Wenn Sie ein Gerät bei uns erwerben, programmieren wir dieses entsprechend für Ihre Zwecke
-
Sollten Sie selbst ein WAGO Gerät haben, welches Sie mit dem SmartDog verbinden wollen, benötigen Sie das passende Programmier Kabel von WAGO und die WAGO INTERFACE CONFIGURATION SOFTWARE G2
-
Die benötigten Parameter die eingestellt werden müssen, erhalten Sie auf Anfrage von unserem Support



