Zweirichtungszähler DIN EM111 mit Modbus, Direktmessung, Carlo Gavazzi
Artikelnummer : [390528]
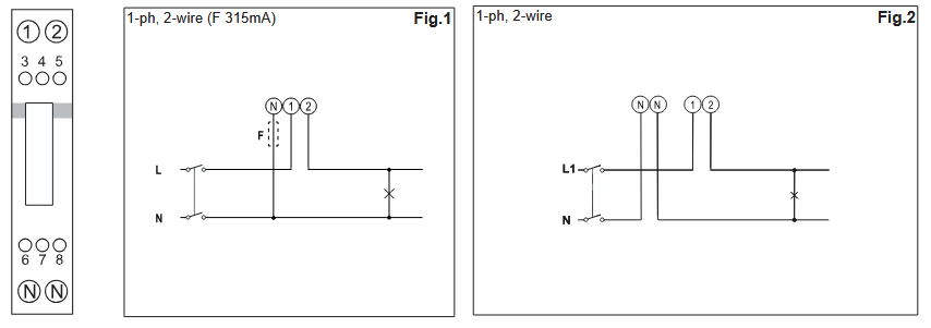
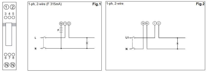
Anschluss Zähler
ACHTUNG!
Die Installation darf ausschließlich durch einen qualifizierten Fachmann im zuständigen Elektrofachbetrieb erfolgen. Die Installation erfordert zur Sicherheit eine Kurzschluss-Sicherung (Beratung durch Ihren Elektronik- Fachmann). Die Installation darf nur in feuerschutzresistenter Umgebung erfolgen (keine Installation in brandgefährdeter Umgebung). Alle Abdeckungen müssen bei Betrieb geschlossen sein
Achtung: A vom SmartDog geht an B vom EM530 und B vom SmartDog geht an A vom EM530
| SmartDog (Bus1 oder Bus2) | Zähler (RS485 Terminalblock) |
|---|---|
| A | RS485 Pin B+ (Klemme 6) |
| B | RS485 Pin A- (Klemme 8) |
| GND | RS485 Pin GND (Klemme 7) |
Einstellung BUS Adresse
-
Unser Zähler ist standardmäßig auf die Bus Adresse 1 eingestellt. Werden mehrere Zähler verwendet, muss am Zähler die BUS-Adresse neu eingestellt werden
-
Falls Sie die Busadresse von Default „1“ ändern wollen, gehen Sie in das Menü „rs485“ und drücken Sie OK
-
Wählen Sie nun „Address“ und OK
-
Stellen Sie die gewünschte Busadresse ein (max 32)
-
Wählen Sie unten SAVE aus (muss unterstrichen sein) und drücken Sie OK
-
Am Display erscheint „Saving. (no parity, 9,6kBd, 1 Stop Bit lassen Sie bitte so)
-
Wählen Sie nun das Menü „End“ und drücken OK
Konfiguration Zähler
-
Drücken Sie 1,5 Sekunden lang auf den unteren Bereich des Displays, bis die Codeeingabe erscheint.
-
Drücken Sie viermal jeweils 1,5 Sekunden auf das Display, um den Code 0000 einzugeben und zu bestätigen
-
Nach der Codeeingabe befinden Sie sich in der Einstellungsebene
-
Drücken Sie sich durch die Menüpunkte, bis Sie bei Measure angekommen sind
-
Halten Sie nun wieder 1,5 Sekunden lang den Finger auf das Display unten, um die Einstellung zu öffnen
-
Anschließend können Sie durch Drücken im oberen Bereich des Displays auf Modbus B umstellen
-
Mit einem 1,5-sekündigen Druck unten am Display verlassen Sie den „Measure“-Bereich.
-
Durch gleichzeitiges Drücken oben und unten am Display verlassen Sie die Einstellungsebene wieder
Einbinden im SmartDog
Siehe Anleitung RS485/Netzwerk Bus-Zähler Hier wählen Sie den Zähler Carlo Gavazzi EM530 aus
