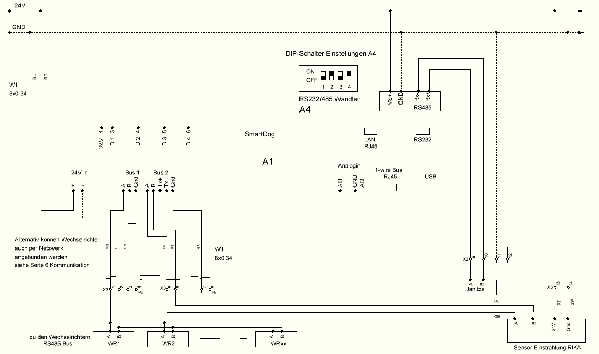
RS232 auf RS458 Adapter (SmartDog 3.0)
Artikelnummer : [460518] und [336010]
Funktion
- Mit unseren RS232-auf-RS485-Adaptern können Sie den Bus 10 (RS232) zu einem dritten RS485-Bus erweitern
EZA-Regler RS232-RS485 Adapter [460518]
Dieses Gerät wird für EZA Regler verwendet. Inklusive DinRail (Hutschienen) Adapter
Features:
- Konform mit Universal Serial Bus 3.2 Gen 1
- Abwärtskompatibel mit USB 2.0 und USB 1.1 StandardUnterstützt Full Duplex Betrieb mit IEEE 802.3x Flow Control und Hal
- Duplex Betrieb mit Back-Pressure Flow Control
- Kompatibel mit IEEE 802.3, IEEE 802.3u, IEEE 802.3ab
- Unterstützt IEEE 802.3az (Energy Efficient Ethernet)
- Unterstützt Cross over Erkennung und Auto-Correction
- Stromversorgung vom USB-Bus (Bus-Power)
- Unterstützt „Wake-on-LAN“
- Verschraubbares USB 3.2 Kabel für eine sichere Installation
- Unterstützt den erweiterten Temperaturbereich von –40°C bis +85°C
- Metall Gehäuse mit Wand- sowie DIN-Rail Kit für industrielle Anwendung
- LEDs für Power und Ethernet Verbindung
- Chipsatz: ASIX AX88179

