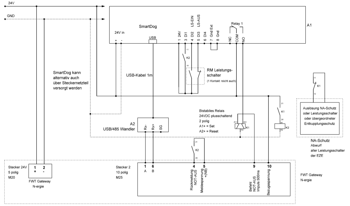
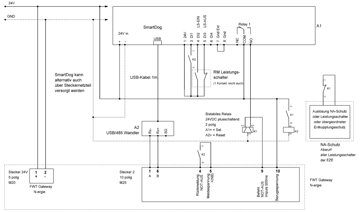
Bistabiles Relais
Funktion
Bistabile Relais ermöglichen das Ein- und Ausschalten von Geräten über Taster
-
Einschalten: Das Relais wechselt in den eingeschalteten Zustand, sobald ein entsprechender Impuls (z. B. von einem Taster) gegeben wird
-
Ausschalten: Ein weiterer Impuls bringt es zurück in den ausgeschalteten Zustand
Im Gegensatz zu einem Standardrelais bleibt der letzte Zustand erhalten, auch wenn die Spannungsversorgung unterbrochen wird
Anschluss
- Beispiel N-ergie
