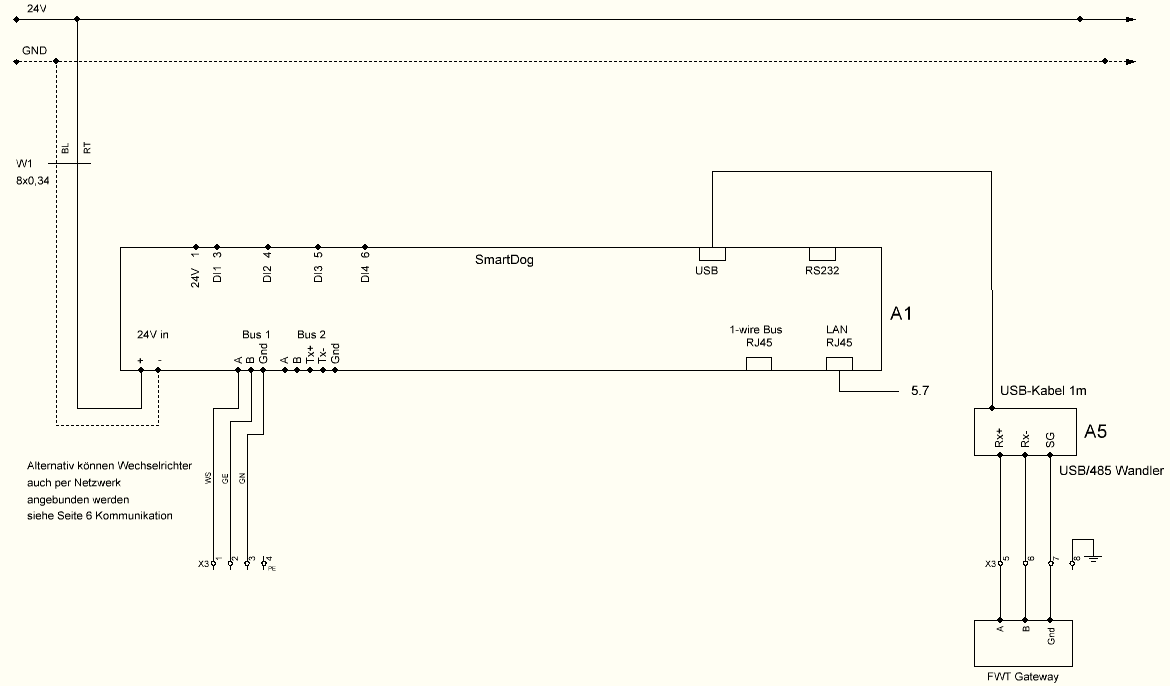
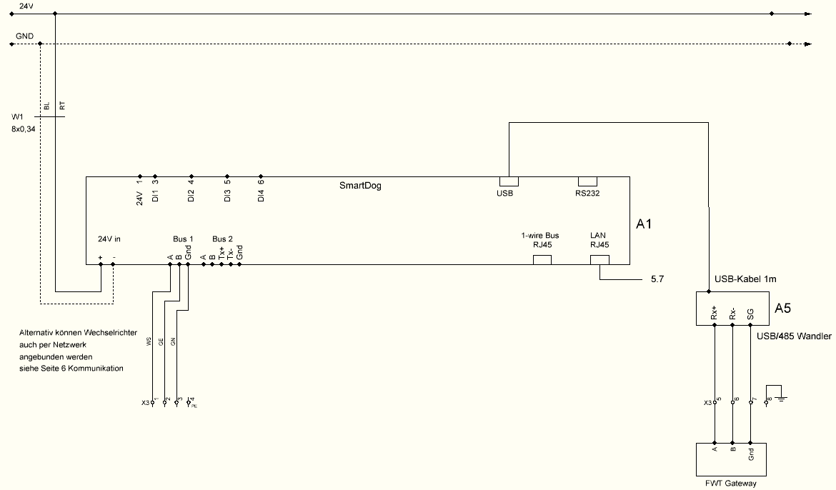
USB auf RS485 Adapter
Artikelnummer : [460516]
Funktion
- Mit unseren USB-auf-RS485-Adaptern können Sie den USB-Port für die Fernwirktechnik nach IEC-101 nutzen
EZA-Regler USB-RS485 Adapter [460516]
Features:
- kompatibel zu USB 2.0, USB 1.1, USB 1.0
- 15 KV ESD Schutz für alle seriellen Ports
- RS422/485 Signal Überspannungsschutz
- 12 Mbps USB Daten Rate
- max. 32 Geräte anschliessbar
- Anschlüsse: Klemmenblock, 1x USB Typ A Stecker
- zum Aufstecken auf DIN Hutschiene
- Stromversorgung über den USB Port des angeschlossenen PC (5VDC, 40mA)

